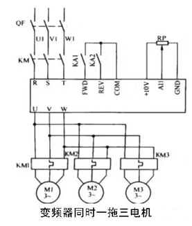
變頻器同時一拖多電機時,注意的問題
一臺變頻器同時帶幾臺甚至幾十臺電機,所有電機的速度都由同一臺變頻器的輸出頻率控制,理論上所有電機的速度是一致的,并且能保證同時升速與降速。
但是由于電機制造上的差異,或者電機所帶負載大小的不同,每臺電機的實際運行速度是有差異的,并且系統內沒有糾正這種差異的機制,也無法安裝糾正差異的機構,所以在一些設備之間沒有連接的場合,這種控制方法肯定會產生積累誤差。

把變頻器看成供電電源,在一些剛性連接的系統中,運轉得稍快的電機,負載會重;而運轉得稍慢的電機負載會輕。但因是同一個變頻器驅動,負載重的轉差率變大,負載輕的轉差率變小,這樣就會有一定的自動糾正能力,最終會使各臺電機保持同步運行,但是負載分配是不均勻的,一般在選擇電機時要把電機功率放大一級。
一臺變頻器同時拖動多臺電機時應注意如下問題。
1、所帶電機的功率不能差異太大,一般不要相差二個功率等級以上。
2、電機最好是同一個廠家生產制造,如果是同功率的電機,最好是同一批次的,以保證電機特性的一致,最大程度使電機的轉差率(定子旋轉磁場轉速與轉子轉速之差)一致,以保證良好的同步性能。
3、充分考慮電機電纜的長度,電纜越長,電纜之間或電纜對地之間的電容也越大,變頻器的輸出電壓含有較多的高次諧波,所以會形成高頻電容接地電流,對變頻器的運行產生影響。
電纜的長度以接在變頻器后的所有電纜的總長度計算。保證電纜的總長度在變頻器允許的范圍。必要的時候,應在變頻器的輸出端安裝輸出電抗器或輸出濾波器。
4、變頻器一拖多只能工作于V/F控制方式(相對于矢量控制方式),并且選擇合適的V/F曲線。變頻器的額定工作電流應大于所有電機額定電流的總和的1.2倍以上。
5、為了保護電機,每臺電機前應安裝熱繼電器,不推薦安裝空氣開關。這樣在電機過載時可以不斷開主回路,避免在變頻器運行中斷開主回路時對變頻器本身的影響。
6、對于需要快速制動的應用場合,為了防止停止時產生過電壓,應加制動單元和制動電阻;有的小功率的變頻器已內置制動單元,因此只需接制動電阻即可。
English








