電機星、三角啟動電路及起動時間計算
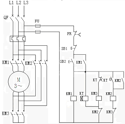
電機星三角起動電路圖如下:

合上電源開關QF,按下按鈕SB2,使KM1得電并自鎖,隨即KM3得電,電動機接成星形,接入三相電源進行降壓啟動。在KM3得電的同時,時間繼電器KT得電,經過一段時間延時后,KT的常閉觸點斷開,KM3失電,同時KT的常開觸點閉合,KM2得電自鎖,電動機繞組接成三角形全壓運行。當KM2得電后,KM2的常閉觸點斷開,使KT斷電,避免時間繼電器長期工作,KM2,KM3常閉觸點為互鎖觸點,以防止同時接成星形和三角形造成電源短路。
時間繼電器時間調節即起動時間,可用下式計算:
![]()
式中tst----電動機正常起動時間,s
Pe----電動機額定功率,kW,
此計算公式簡單,為便于記憶,可編為口訣:
星三角啟動電機,整定時間的計算:
容量開方乘以二,積數加四單位秒。
例:一臺380VY200L-430kW電動機,用星三角起動,計算時間繼電器動作時間(電動機正常起動時間)
![]()
下一篇:電動機的常見幾種故障分析上一篇: 電動機基本知識
此文關鍵字:電機起動時間計算|電機星三角起動
English








